-
Features
- Chip active diameters from 100 μm to 10000 μm
- Spectral response from 850 nm to 1700 nm, available with photodiodes up to 2.6 nm
- High shunt resistance for high sensitivity
- Multiple lens and window options
- Thermoelectric cooling options
-
Applications
- NIR Sensing/Radiometry
- LED/LD Characterization
- Spectroscopy
- Medical Diagnostics
- Telcom/Datacom Power Monitor
-
Product Family
Opto/Electronic Characteristics @ 23 ºC ± 2 ºC |
Units | ||||||||
| Active Diameter | 100µm | 300µm | 500µm | 1mm | 2mm | 3mm | 3mm (Low Cap.) | 5mm | |
| Part Number | N17S10-T46 N17S10-T18 N17S10-LCC4 |
N17S30-T46 N17S30-T18 N17S30-LCC4 |
N17S50-T46 N17S50-T18 N17S50-LCC4 |
N17S100-T46 N17S100-T18 N17S100-LCC4 |
N17S200-T5 N17S200-LCC6 |
N17S300-T5 N17S300-LCC28 |
N17L300-T5 N17L300-LCC28 |
N17S500-T8 N17S500-LCC28 |
|
| Legacy Part Number | GAP100 | GAP300 | GAP500 | GAP1000 | GAP2000 | GAP3000 | GAP3000HS | GAP5000 | |
| Spectral Response Range | 800-1700 | 800-1700 | 800-1700 | 800-1700 | 800-1700 | 800-1700 | 800-1700 | 800-1700 | nm |
| Peak Wavelength (typ) | 1550 | 1550 | 1550 | 1550 | 1550 | 1550 | 1550 | 1550 | nm |
| Responsivity @ 850 nm (min/typ) | 0.2 / 0.27 | 0.2 / 0.27 | 0.2 / 0.27 | 0.2 / 0.27 | 0.2 / 0.27 | 0.2 / 0.27 | 0.2 / 0.27 | 0.2 / 0.27 | A/W |
| Responsivity @ 1300 nm (min/typ) | 0.85 / 1.0 | 0.85 / 1.0 | 0.85 / 1.0 | 0.85 / 1.0 | 0.85 / 1.0 | 0.85 / 1.0 | 0.85 / 1.0 | 0.85 / 1.0 | A/W |
| Responsivity @ 1550 nm (min/typ) | 0.93 / 1.1 | 0.93 / 1.1 | 0.93 / 1.1 | 0.93 / 1.1 | 0.93 / 1.1 | 0.93 / 1.1 | 0.93 / 1.1 | 0.93 / 1.1 | A/W |
| Shunt Resistance (min/typ) | 1000 | 200 | 100 | 10 / 90 typ | 5 / 30 typ | 5 / 15 typ | 5 / 15 typ | 2 / 10 typ | MΩ |
| Dark Current @ VR (typ/max) | 0.05 / 1 @ 5 V | 0.5 / 5 @ 5 V | 0.8 / 5 @ 5 V | 1 / 8 @ 5 V | 3 / 10 @ 2 V | 5 / 15 @ 1 V | 3 / 15 @ 5 V | 10 / 200 @ 0.5 V | nA |
| Capacitance @ 0 V (typ/max) | 1 / 1.2 @ 5 V | 6 / 8 @ 5 V | 12 / 18 @ 5 V | 150 / 250 | 500 / 800 | 1200 / 1600 | 500 / 660 | 2700 / 4000 | pF |
| Capacitance @ VR (typ/max) | Not Measured | 25 | 40 | 50 / 110 @ 5 V | 200 / 300 @ 3 V | 500 / 700 @ 2 V | 200 / 400 @ 5 V | Not Available | pF |
| NEP @ λPEAK @ 0 V (typ) | 4 | 12 | 16 | 12 typ | 25 typ | 30 typ | 40 typ | 40 typ | fW/Hz1/2 |
| Linearity (± 0.2 dB) @ 0 V (min) | 8 | 8 | 8 | 6 | 6 min | 6 min | 6 min | 6 min | dB |
| TO Packages | TO-46/TO-18 | TO-46/TO-18 | TO-46/TO-18 | TO-46/TO-18 | TO-5 | TO-5 | TO-5 | TO-8 | |
| Leadless Ceramic Packages | LCC-4 | LCC-4 | LCC-4 | LCC-4 / LCC-6 | LCC-6 | LCC-28 | LCC-28 | LCC-28 | |
| Storage Temperature | -40 to 125 | -40 to 125 | -40 to 125 | -40 to 125 | -40 to 125 | -40 to 125 | -40 to 125 | -40 to 125 | ºC |
| Operating Temperature | -40 to 85 | -40 to 85 | -40 to 85 | -40 to 85 | -40 to 85 | -40 to 85 | -40 to 85 | -40 to 85 | ºC |
| Max Reverse Voltage | 25 | 25 | 20 | 20 | 5 | 5 | 5 | 3 | V |
| Max Reverse Current | 10 | 10 | 10 | 10 | 10 | 10 | 10 | 10 | mA |
| Max Forward Current | 10 | 10 | 10 | 10 | 10 | 10 | 10 | 10 | mA |
Figure1-InGaAs Response vs. Wavelength vs. Temperature

Figure 2-InGaAs Response vs. Wavelength vs. Temperature (Cont.)

Figure 3-Dark Current vs. Reverse Voltage vs. Diameter

Figure 4-Capacitance (pF) vs. Reverse Voltage (V) vs. Diameter (mm)


Figure 4-Capacitance (pF) vs. Reverse Voltage (V) vs. Diameter (mm)

-
Small Area InGaAs Photodiodes -
1.7µm cutoff wavelength 100μm-1mm dia. active areas
Packaging Capabilities
| Packaging Configurations | |||
| Diameter (μm) | TO Headers | Ceramic Leadless Chip Carrier |
|
| TO-46 | TO-18 | LCC-6 | |
| 100 | ● | ● | |
| 150 | ● | ● | |
| 300 | ● | ● | |
| 500 | ● | ● | ● |
| 1000 | ● | ● | ● |
| Window (Other Options Available) | |||
| Material | Molded Clear Glass | Borosilicate Glass | |
| Thickness (mm) | 0.25 | 0.5 | |
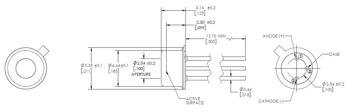
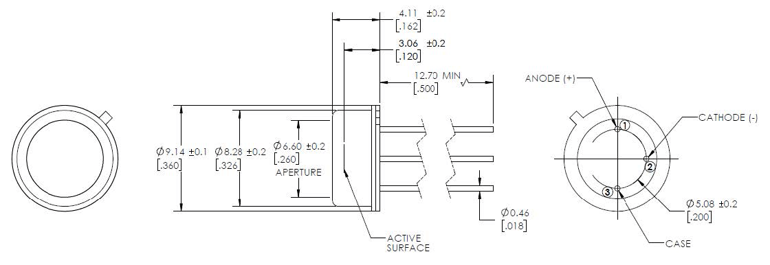
Package Outlines
TO-46

TO-18

LCC-6

-
Large Area InGaAs Photodiodes -
1.7µm cutoff wavelength 1-5 mm dia. active areas
Packaging Capabilities
| Packaging Configurations | |||||||
| Diameter (mm) | TO Headers | Ceramic Leadless Chip Carrier |
|||||
| TO-46 | TO-18 | TO-5 | TO-8 | LCC-6 | LCC-28 | BNC | |
| 1 | ● | ● | ● | ● | |||
| 1.5 | ● | ● | ● | ● | |||
| 2 | ● | ● | |||||
| 3 | ● | ● | ● | ||||
| 5 | ● | ● | ● | ● | |||
| Window (Other Options Available) | |||||||
| Material | Molded Clear Glass | Borosilicate Glass | |||||
| Thickness (mm) | 0.25 | 0.5 | |||||
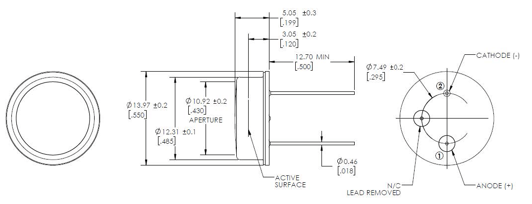
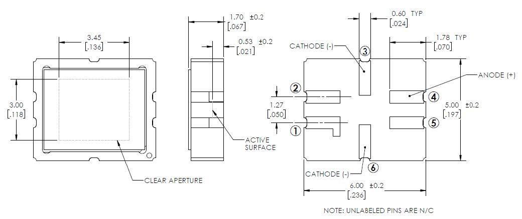
Package Outlines
TO-46

TO-18

TO-5

TO-8

TO-8

LCC-6

LCC-28

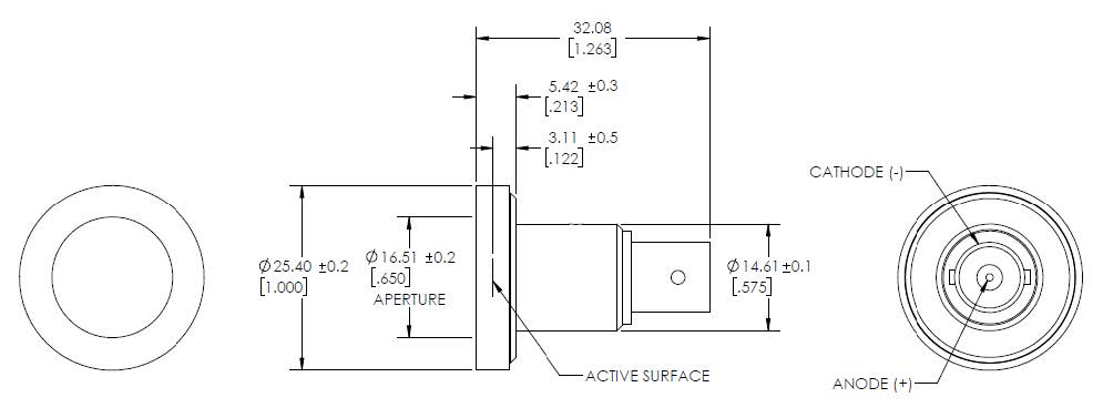
BNC

BNC

