Indium gallium arsenide photodiodes are commonly used to detect wavelengths in the NIR range. The benefits of using InGaAs are that it has much higher shunt resistance and lower dark current than germanium, making it ideal for sensitive measurements and other low-noise applications.
Figure1-Dark Current vs. Reverse Bias

Figure 2-Capacitance vs. Reverse Bias
CS-2
-
Features
- Chip diameters from 60 μm to 300 μm
- Spectral response from 850 nm to 1700 nm
- Low dark current for high sensitivity
- Low capacitance for high speed (up to 2.5 GHz depending on package)
- Wide packaging variety: TO packages, fiber pigtails, chip on ceramic submount, and more
-
Applications
- Optical communication
- Time-resolved fluorescence measurements
- LED/LD temporal characterization
- LiDAR
- Free Space Optics (FSO)
-
Electrical Characteristics @ 25 °C
| GAP60/CS | GAP75 | GAP100 | GAP300 | ||
| Active Diameter | 60 | 75 | 100 | 300 | µm |
| Responsivity @ 850nm | 0.10 (0.20) | 0.10 (0.20) | 0.10 (0.20) | 0.10 (0.20) | A/W min. (typ.) |
| 1300nm | 0.80 (0.90) | 0.80 (0.90) | 0.80 (0.90) | 0.80 (0.90) | A/W min. (typ.) |
| 1550nm | 0.95 | 0.95 | 0.95 | 0.95 | A/W min. |
| Dark Current @ 5V | 0.8 (0.3) | 0.8 (0.3) | 1.0 (0.5) | 5.0 (1.0) | nA max. (typ.) |
| Capacitance @ 5V | 0.7(0.5)/0.5(0.3)-CS | 0.8 (0.6) | 1.2 (1.0) | 8.0 (4.0) | pF max. (typ.) |
| Bandwidth 50Ω -3dB | 6/10-CS | 10 | 3 | 0.8 | GHz min. @ 5V |
| Rise/Fall time RL = 50Ω | 0.06/0.03-CS | 0.07 | 0.1 | 0.4 | ns max. @ 5V |
| NEP @ 1550 nm | 10.0E-15 | 10E-15 | 13E-15 | 18E-15 | W/√Hz typ. |
| Case Style (standard) | TO-46(mod)/CS-1 | TO-46(mod) | TO-46(mod) | TO-46(mod) |
-
Maximum Ratings
| GAP60/CS | GAP75 | GAP100 | GAP300 | ||
| Storage Temperature | -40 to 125 | -40 to 125 | -40 to 125 | -40 to 125 | °C |
| Operating Temperature | -40 to 85 | -40 to 85 | -40 to 85 | -40 to 85 | °C |
| Reverse Voltage | 25 | 25 | 25 | 25 | V |
| Reverse Current | 1 | 10 | 10 | 25 | mA |
| Forward Current | 10 | 10 | 10 | 100 | mA |
Figure1-Dark Current vs. Reverse Bias

Figure 2-Capacitance vs. Reverse Bias

Figure 3-Effect of Temperature on Responsivity


-
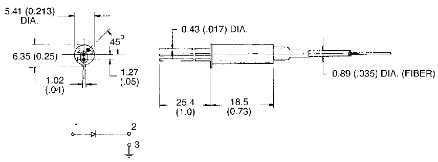
Package Outlines
" PT " Assembly

TO-46 (Modified)

TO-46 (Modified)

► Noted: Dimensions in mm (in.) Custom packages are available
-
Ceramic Submounts
CS-1

CS-2

► Dimensions in mm (in.) Custom submounts are available.
